最新锅炉资讯大全
选择什么样的锅炉比较合适?
工业锅炉型号和参数大全
宠物火化炉焚烧炉的选型和购买建议
选购家用锅炉,哪些“重点”要提前了解?
燃气蒸汽发生器的四大优点
山东大西锅炉官方简介 山东大西热能设备生产厂介绍 超低氮蒸汽发生器真空锅炉
现场直击|乌兹别克斯坦大型燃气蒸汽锅炉项目怎么样了?
[湖北诺贝思热能]如何提高电加热蒸汽锅炉的使用效率?
锅炉之家:燃气锅炉的优势是什么?
全自动咖啡机值得入手吗?松下全自动意式家用咖啡机EA801实测分享
蒸汽锅炉的自动控制系统方案
锅炉技术研究方向学术论文投稿 锅炉类学术期刊推荐
工业危废回转窑焚烧炉
生物质锅炉烘炉的简要步骤
全球及中国超临界锅炉市场现状及未来趋势走向分析报告
华能泰安2×9F级燃气蒸汽联合循环热电联产项目举办启动仪式
市地头条丨哈尔滨市区建成区35蒸吨以下燃煤锅炉清零
哈尔滨市2017年淘汰10蒸吨及以下燃煤小锅炉2074台
中国超临界(超超临界)电站锅炉行业发展预测及投资策略报告
农村生活垃圾焚烧炉简单易懂的工作原理
固废焚烧炉回转窑厂家
热管技术在工业余热回收中的应用
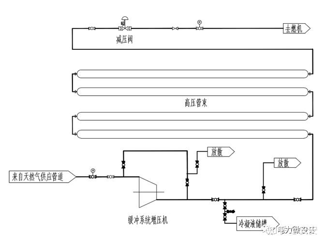
联合循环燃料切换缓冲系统设计计算方法
柴油机覆盖件模态分析及其优化-相关论文选题
垃圾焚烧炉受热面腐蚀应该采取什么措施