最新锅炉资讯大全
导热油炉的原理
电加热导热油炉与其他锅炉费用及优势对比
立式锅炉哪种好?
60万大卡燃油气导热油炉参数
影响导热油锅炉价格因素有哪些?
中热机械设备为您解答什么是立式燃气导热油炉?
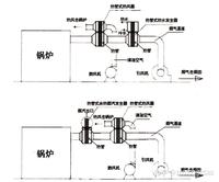
火电环保装备龙头,青达环保:火电加速及灵活性改造打开空间
燃气蒸汽发生器优势和原理
蒸汽发生器比锅炉好在哪里?
锅炉百科:锅炉汽温汽压调节-低氮免报检节能蒸汽发生器 热水锅炉
燃气蒸汽发生器的优点是什么?
汽包锅炉炉水精细化管理系统
天使能源,商用燃气锅炉的好处
低氮环保节能燃气蒸汽发生器-锅炉百科知识:什么是熵?
一文了解锅炉以及锅炉节能
锅炉水处理设备的作用?燃油立式锅炉?燃油锅炉哪个牌子好?
低氮蒸汽发生器如何达到环保要求的?
蒸汽发生器怎么使用?帕莱顿即开即用,全自动控制
锅炉运行技术及事故处理方法,满满的干货~
如何提升工业锅炉的蒸汽品质
酱料自动搅拌熬制锅 蒸汽加热全自动夹层锅
Curetec固尔特携手澳大利亚PERMAcast集团,在澳大利亚建造全自动环保构件养护系统
锅炉
电热汇介绍电蒸汽锅炉特点
蒸汽发生器与蒸汽锅炉到底有何不同之处