最新锅炉资讯大全
7、锅炉系统主要辅机维护和保养(二)
SPV235、SPV315、SPV355锅炉及压力容器钢板化学成分
HG/T4565-2013锅炉及辅助设备耐高温涂料执行标准
MICP品牌计划
MS6212可替换TI PCA9306、SGM4553用于开漏模式和推拉模式的 2bit 双向电平转换器
QPL1163
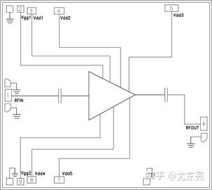
HMC7441
奔驰GLB200 4matic购买感受
4m
4mychip
坚持的力量14
微读时光 14
14文字
14个月半
14个月的人儿
漂亮的矿物14
傻妃驾到 14
金螃蟹14
thinkbook 14+
diary 14
波黑战争14
14 相机
无间星魁14
14线
曾国藩14