最新锅炉资讯大全
西门子plc代理电话
阿迪的电话
别墅污水提升泵哪个牌子好用
350㎡以下大户型别墅,燃气壁挂炉带地暖系统需要配去耦罐吗?
别墅采暖制冷设备用什么效果好
别墅节能措施及技术(干货)
看一看英国乡村别墅
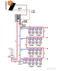
【别墅热水系统设计施工专家指导】别墅热水系统如何设计,用太阳能+燃气热水器+自控中心配合,先用太阳能,水温不够时再开启燃气热水器二次加热,即开即有热水无需等待
别墅排屋等大面积生活热水如何选配
温州别墅电梯品牌 温州家用电梯品牌
选择壁挂炉采暖,才是真理性!
常州家用别墅电梯品牌推荐
口碑较好的燃气热水器五大品牌排行?
别墅电梯品牌排行榜哪个品牌好
伸手党福利--- 别墅中央空调地暖暖通方案思路(一)
四季沐歌壁挂炉|专业呵护生活_燃气壁挂炉_壁挂炉品牌
别墅排屋如何选择空调地暖新风水处理?
400平方别墅装修,空气源热泵和地源热泵该怎么选?
南方别墅用什么采暖方案最高效节能?
别墅业主为什么喜欢地源热泵空调?
学校适合使用燃气模块炉吗?
无设备间的大宅别墅,如何选用壁挂炉
具有发展潜力的环保节能型住宅--轻钢别墅
沈阳别墅供暖最佳方案解读
交大蓝天-别墅冬天采暖方式终极PK